
松盛光电研发出针对2μm激光波长的同轴测温成像焊接头,利用同轴红外测温实时反馈控制,可以实时调整输出能量保持焊接一致性,最大程度保证焊接良率。利用系统同轴CCD摄像头与监视装置,对被焊接工件进行定位追踪,避免实时焊接过程中的焊点偏移。下面将详细说明该产品的安装调试方法。相关产品文章:2um同轴测温成像塑料激光焊接头技术参数
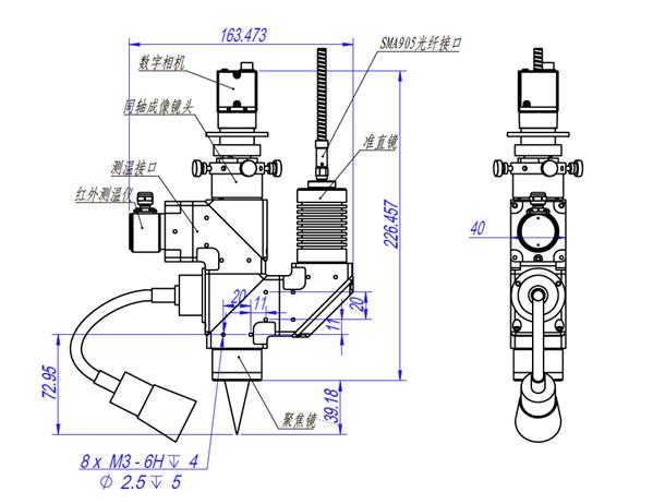
一、 光纤激光输出头外形尺寸及接口说明:
本系统为精密高功率半导体光学系统,最忌情形:潮湿、灰尘、震动、摔落、过干亦不适宜,要保证光学镜头的安全,在不使用情况下应将镜头存放在相对湿度在 40% 左右的环境中,例如光学干燥箱等。不可用手或者其他尖利物体去直接触碰镜头镜片,否则会造成镜头的污染和划伤,导致激光功率下降。做好加工时的除烟尘和防溅射,保护镜片若有污染应及时清洗和更换。
二、 输出头安装调试方法
1. 安装步骤(调节内容详细见下文)

a) 将输出头安装孔与设备连接。
b) 将 CCD 相机安装至摄像镜上。
c) 在镜头下面载物台上放上一张金属名片或金属板,打开激光,确定激光焦点,当能量最强时为激光焦点。
d) 通过摄像镜与相机接口处的顶丝来调节激光光斑在成像系统中的位置,让激光点居中。
e) 调节成像清晰度,当成像最清晰的时候就是成像焦距与激光焦距重合
f) 当激光光斑在成像系统中的十字中心时,通过顶丝固定相机接口处,防止激光光斑偏离十字中心点。
2. 调节激光焦点和 CCD 成像
调试光路的方法
1) 找激光焦点位置
激光光束经过准直镜和聚焦镜后形成聚焦光斑,当聚焦光斑能量最强或光斑直径最小时为激光焦点(用激光转换片或是金属名片或薄板放置在激光焦点处,用激光转换片能看到荧光,但是转换片容易被烧坏,或是用手机摄像头来观察金属名片上的亮点),当聚焦光斑较大时,调节安装镜头的 Z 轴上下运动,并观察焦点大小变化,当焦点直径最小时即为激光焦点。(见图 1)

图 1 激光焦点
2) 调节 CCD 成像清晰度
确定激光焦点之后,通过摄像镜调节键来调节成像清晰度。(见图2-1、2、3)

图 2-1 摄像镜调节前画面聚焦模糊

图 2-2 使用手动调焦环轻微旋转,同时注意观察成像的清晰度, 当达到最佳清晰度时停止调节。

图 2-3 摄像镜调节后成像清晰
3) 确定激光焦点是否在软件界面的十字中心

3-3 确定激光光斑正中心点
调节方法:

图 3-4 像面 XY 位置调节螺钉
像面 XY 位置调节螺钉一共有 4 颗,呈十字方向,用来顶 CCD 镜头的摆角来调整成相面的位置。当发现激光焦点不在显示的中心,通过调节这 4 颗螺钉来移动到中心或者和十字定位线重合。调好之后到达位置之后 4 颗螺钉都要锁紧。